丨资源丨设备连接列表

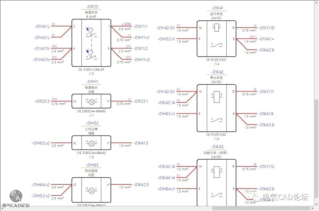
今天给大家分享一份整理优化后设备连接列表,包括竖版与横版两种排列方式,应用时需使用手动放置方式,每次垂直排列推荐插入7~8个部件为优,横向排列时推荐插入5~6个部件为优,表格由EPLAN v2.7修改制作,低版本未经测试,动态表格,效果图如下:

丨资源丨设备连接列表丨资源丨设备连接列表丨资源丨设备连接列表

丨资源丨设备连接列表

另外有小伙伴说接线只在一侧,并没有像截图那样在两侧,这是需要设定设备符号逻辑关系里的“内部/外部”来调整的,具体可参考教程:《教你批量修改设备连接点内部/外部》
有需要的小伙伴可以从PC端登陆电气CAD论坛后下载。https://www.cad-bbs.cn/f05-1/

发表评论

登录... 后才能评论

评论(1)

本站所有资源均只能用于参考学习用,请勿直接商用。若由于商用引起版权纠纷,一切责任均由使用者承担。更多说明请参考 VIP介绍。

网站内个别资源需要按下载提示里通过发送邮件、或者添加百度网盘好友后才能发送,请留意下载前的提示信息。

请按下载后的文件名中提示的密码格式,输入电气CAD吧域名。(只替换xxxxxxx部分)

如果您已经成功付款但是网站没有弹出成功提示,请联系站长提供付款信息为您处理

电子资料属于虚拟商品,具有可复制性,可传播性,一旦授予,不接受任何形式的退款、换货要求。请您在购买获取之前确认好 是您所需要的资源