
相信有不少人在绘图时,对于一些非标类符号的表达经常用黑盒+设备连接点来设计吧,这对于连接点数量较少时来说相当方便了。

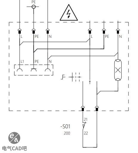
而一些连接点较多的设备,如PLC、变频器、伺服、万能式断路器等等,为了统一标准和多人协作而常做成多个宏变量的形式存储,但是,当随着宏变量的数量越来越多时,那么问题就来了,如何快速的、准确的、优雅的选择到自己所需的宏变量呢?特别是在多人协作时选择自己所需的宏变量?例如下图内正泰NA1系列万能式断路器的7个宏变量:

你可能会说:“这好办啊,拖个设备出来按TAB切换就完事儿了”,上图里这才7个变量,要是有十多个变量的,你这就不叫优雅了,而且一不小心还有可以用错,其实这一点完全不用担心,因为EPLAN已经贴心的帮我们实现了一个功能:分配设备时考虑连接点代号。

对,你没看错,整个“用户-常规设备”面板下,就这一个选项,这可是为你量身订做的功能哟~
那怎么个用法呢?例如下面是一个多用户协作时的场景:
同事A只关心主回路部分主开关的选型和主触点A/B/C,那就生成设备后,直接拖A/B/C的连接点出来,EPLAN会自动帮你选择所在的宏变量。

同事B负责安全回路的创建,他只关心脱扣部分的连接点27/28,操作方法一样,也是选中自己所需的连接点然后:拖。根本不用考虑在哪个宏变量时,只需关注自己负责的部分。

同事C完成剩下各辅助触点的应用,同样他也不必考虑该用哪个宏变量,直接拖。

你看,这样是不是既准确又优雅呢?但切记一定要将上面设置里打勾,不然软件会自动选择连接点最少的变量哦~
声明:您必须遵守我们的协议,如果您下载了该资源行为将被视为对《免责声明》全部内容的认可,本网站资源大都来自原创,也有少部分来自互联网收集,仅供用于学习和交流,请勿用于商业用途。如有侵权、不妥之处,请联系站长并出示版权证明以便删除。敬请谅解! 侵权删帖/违法举报/投稿等事物联系邮箱:cad-bbs@qq.com
评论(2)
版主,按照版主的方法创建并生成了8个变量的宏,每个连接点确认了,相同插头代号下没有重复连接点。✓也都选了,生成的宏,功能模板也没有遗漏的连接点。只是从设备导航器中拖出来放到原理图时,有的连接点对应的宏不正确。比如我拖的A变量的连接点,出来的宏是B变量的宏变量。这个拖出来的连接点也替代了B变量宏中的一个连接点。请问是哪里出了问题。
尝试把设置里“分配设备时考虑连接点代号”打勾。
这里有详细截图https://www.askecad.com/question/28344.html